Products
※ SPECIFICATION
| Contact Rating | 50mA @ DC12V | |||
| Dielectric Strength | AC250V for 1 Minute | |||
| Contact Resistance | ≤100 mΩ Max. | |||
| Insulation Resistance | 100MΩ Min. | |||
| Life Expectancy | 100,000 cycles cycles | 30,000 cycles0 cycles | ||
| Travel | 0.25mm±0.1mm | |||
TSB06338
Swipe left and right more
※
TSB06338
Funtion: Momentary action
Contact Arrangement: SPST, Normally Open
Termination: SMD version
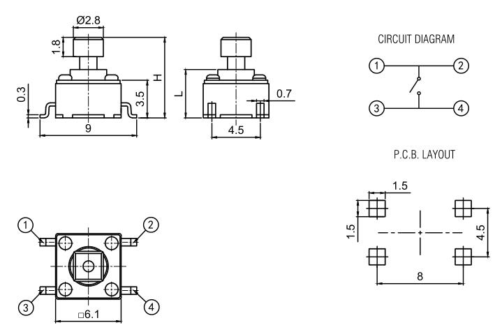
※ DIAGRAM

| H | 7 | 7.3 | 7.5 |
| L | 4.2 | 4.5 | 4.7 |
※ SPECIFICATION
| Contact Rating | 50mA @ DC12V | |||
| Dielectric Strength | AC250V for 1 Minute | |||
| Contact Resistance | ≤100 mΩ Max. | |||
| Insulation Resistance | 100MΩ Min. | |||
| Life Expectancy | 100,000 cycles cycles | 30,000 cycles0 cycles | ||
| Travel | 0.25mm±0.1mm | |||




khancn3
