Products
SC203
Swipe left and right more
※ SC203
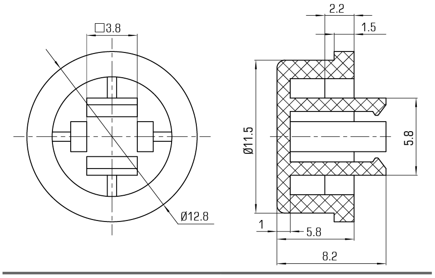
SC2 series with inner size 3.8×3.8mm for 12×12 square stem tact switch | |
| COLOR: | White , Grey , Black , Ivory , Blue , Red Yellow , Green , Chrome , UV Painted |
| MOQ: | 1000PCS |
※ DIAGRAM

| Total Height | 12.4 | 12.7 | 12.8 |
| Switch Height | 7 | 7.3 | 7.4 |




khancn3
